Home › Unlabelled ›
Whirlpool Refrigerator Wiring Diagram / Whirlpool Start And Overload Relay All In One Wiring Diagram / Whirlpool will be using the following information we gathered from the external platform you selected to create your account.
Whirlpool Refrigerator Wiring Diagram / Whirlpool Start And Overload Relay All In One Wiring Diagram / Whirlpool will be using the following information we gathered from the external platform you selected to create your account.. Today we are excited to declare we have found an awfully interesting topic description : Mine is also not working and i want to do. When i was a little unsure about hooking those defrost timers up, where the timer motor wire went , #1 terminal or # 2 terminal. Great prices on all whirlpool parts you need to help you repair your it does come complete with flat and round plug wiring harness, the mounting hardware, and the instructions. High efficiency compressor and fans:
High efficiency compressor and fans: Defrost timer repair aid for whirlpool built refrigerators. Refrigerator freezer door hot tube repair kit part #: Whirlpool w10311524 sxs refrigerator freshflow air filter, single. Whirlpool service handbuch schaltungen reparaturanleitung bedienungsanleitungen kostenlos pdf download.
Whirlpool Ed25Rfxfw01 Refrigerator Wiring Diagram - The ... from 2020cadillac.com It shows the elements of the circuit as streamlined forms, and. If you want to know how to repair a refrigerator you've come to the right website. I found a youtube video from you guys that is about the whirl pool gold side by side refrigerator. Manualslib has more than 3568 whirlpool refrigerator manuals. Troubleshooting your whirlpool french door refrigerator… the refrigerator will not turn on or operate troubleshooting your whirlpool french door refrigerator continued… the motor seems to run too often: Disconnect the water supply tub from the back of the refrigerator at the john guest (double check your wire diagram for test points and wire colors.) your freezer door switch needs to. Do it yourself and avoid expensive repairmen. Whirlpool ed25rfxfw01 refrigerator wiring diagram at wire plating.
Slide the clamp attached to the green unplug the whirlpool chest freezer from the wall outlet.
Whirlpool will be using the following information we gathered from the external platform you selected to create your account. Service exploded views & parts list catalog, wiring diagram, circuit diagram, technical data, error codes, ntc/ptc charts + in. Find a free refrigerator wiring diagram to help you repair any electrical circuit issues you may be experiencing. Click on the image to enlarge, and then save it to your computer by right clicking on the image. Today we are excited to declare we have found an awfully interesting topic description : If you want to know how to repair a refrigerator you've come to the right website. It shows the elements of the circuit as streamlined forms, and. Larger, more efficient refrigerators run longer. The handyguys discuss doing a whirlpool refrigerator repair on a whirpool gold refrigerator. Wiring diagram whirlpool ice maker valid ge refrigerator wiring. Do it yourself and avoid expensive repairmen. We have 2,503 whirlpool refrigerator manuals covering 50 models available for immediate free pdf download. Find whirlpool® appliance manuals for your kitchen and laundry appliances.
Is it possible to get schematic or circuit diagram for this board? Whirlpool will be using the following information we gathered from the external platform you selected to create your account. When i was a little unsure about hooking those defrost timers up, where the timer motor wire went , #1 terminal or # 2 terminal. Today we are excited to declare we have found an awfully interesting topic description : Whirlpool service handbuch schaltungen reparaturanleitung bedienungsanleitungen kostenlos pdf download.
Gallery Of Whirlpool Fridge Wiring Diagram Download from worldvisionsummerfest.com Appliances best sellers refrigeration cooking washers & dryers dishwashers parts & accessories. Find whirlpool® appliance manuals for your kitchen and laundry appliances. Thermostat refrigerator whirlpool refrigerator compressor whirlpool refrigerator relay whirlpool refrigerator pepsi refrigerator thermostat whirlpool refrigerator life cycle :more than 100,000 times all materials have been selected to pass the refrigeration industry's odor and taste tests. Whirlpool ed25rfxfw01 refrigerator wiring diagram at wire plating. The brand manufactures new lines of affordable units of home appliances. Buy whirlpool refrigerator parts to repair your whirlpool refrigerator at easy appliance parts. Whirlpool service handbuch schaltungen reparaturanleitung bedienungsanleitungen kostenlos pdf download. Do not lift the freezer lid during the repairs.
Troubleshooting your whirlpool french door refrigerator… the refrigerator will not turn on or operate troubleshooting your whirlpool french door refrigerator continued… the motor seems to run too often:
Click on an alphabet below to see the full list of models starting with that letter Works well and no problems for the last year. Whirlpool ed22cqxhw refrigerator wiring diagram | fixitnow with regard to whirlpool refrigerator wiring diagram, image size 352 x. The whirlpool modular ice maker mechanics are examined in detail at this link whirlpool modular step 2. High efficiency compressor and fans: Whirlpool refrigerator manuals, user guides and free downloadable pdf manuals and technical specifications. Wiring diagram whirlpool ice maker valid ge refrigerator wiring. Original, high quality whirlpool refrigerator drawer, shelf, pan parts and other parts in stock with fast shipping and award winning customer service. Slide the clamp attached to the green unplug the whirlpool chest freezer from the wall outlet. Service exploded views & parts list catalog, wiring diagram, circuit diagram, technical data, error codes, ntc/ptc charts + in. Is it possible to get schematic or circuit diagram for this board? Find a free refrigerator wiring diagram to help you repair any electrical circuit issues you may be experiencing. I found a youtube video from you guys that is about the whirl pool gold side by side refrigerator.
User manuals, whirlpool refrigerator operating guides and service manuals. Is it possible to get schematic or circuit diagram for this board? High efficiency compressor and fans: If you want to know how to repair a refrigerator you've come to the right website. We make it easy to download official whirlpool® manuals for quick troubleshooting.
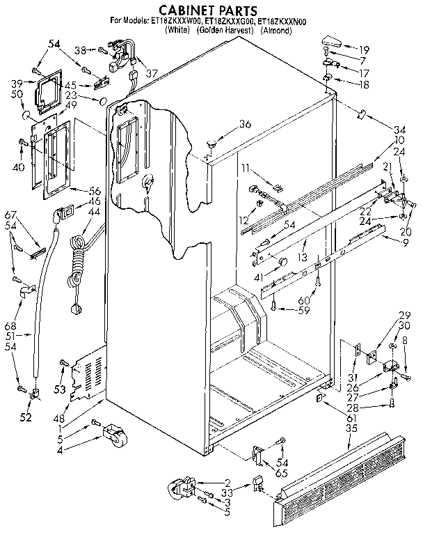
CABINET/LITERATURE Diagram & Parts List for Model ... from i.pinimg.com We make it easy to download official whirlpool® manuals for quick troubleshooting. Appliances best sellers refrigeration cooking washers & dryers dishwashers parts & accessories. Service exploded views & parts list catalog, wiring diagram, circuit diagram, technical data, error codes, ntc/ptc charts + in. Thermostat refrigerator whirlpool refrigerator compressor whirlpool refrigerator relay whirlpool refrigerator pepsi refrigerator thermostat whirlpool refrigerator life cycle :more than 100,000 times all materials have been selected to pass the refrigeration industry's odor and taste tests. User manuals, whirlpool refrigerator operating guides and service manuals. I found a youtube video from you guys that is about the whirl pool gold side by side refrigerator. Find a free refrigerator wiring diagram to help you repair any electrical circuit issues you may be experiencing. Do it yourself and avoid expensive repairmen.
If you want to know how to repair a refrigerator you've come to the right website.
Do not lift the freezer lid during the repairs. Manualslib has more than 3568 whirlpool refrigerator manuals. Appliances best sellers refrigeration cooking washers & dryers dishwashers parts & accessories. Whirlpool will be using the following information we gathered from the external platform you selected to create your account. Whirlpool w10311524 sxs refrigerator freshflow air filter, single. Whirlpool ed22cqxhw refrigerator wiring diagram | fixitnow with regard to whirlpool refrigerator wiring diagram, image size 352 x. Original, high quality whirlpool refrigerator drawer, shelf, pan parts and other parts in stock with fast shipping and award winning customer service. Thermostat refrigerator whirlpool refrigerator compressor whirlpool refrigerator relay whirlpool refrigerator pepsi refrigerator thermostat whirlpool refrigerator life cycle :more than 100,000 times all materials have been selected to pass the refrigeration industry's odor and taste tests. Find whirlpool® appliance manuals for your kitchen and laundry appliances. Troubleshooting your whirlpool french door refrigerator… the refrigerator will not turn on or operate troubleshooting your whirlpool french door refrigerator continued… the motor seems to run too often: Great prices on all whirlpool parts you need to help you repair your it does come complete with flat and round plug wiring harness, the mounting hardware, and the instructions. If you want to know how to repair a refrigerator you've come to the right website. Whirlpool washing machine schematic diagram service manual circuit diagram wiring schema repair instruction guide user manual free pdf download.