Home › Unlabelled ›
Wiring Diagram For 3 Port Motorised Valve - Honeywell Actuator Wiring Diagram | Free Wiring Diagram : Fitted and worked as expected.
Wiring Diagram For 3 Port Motorised Valve - Honeywell Actuator Wiring Diagram | Free Wiring Diagram : Fitted and worked as expected.. Controller is configured for motorised valve control. 1/2 electric motor valve brass, dc12v motorized valve with 3 wires(cr02), dn15 electric valve for water control. ‹ › back to motorised valves. In dahlander connection (tapped winding). Motorised heating valves are an electrically controlled valve used in central heating systems to control the flow of heated water in the home.
Wiring centres available for 24v and 230v supply. This video covers the 3 port valve. How to renew a three port motorised valve head. You can also choose from ball, control, and gate 3 way motorised. Operating principles when signal pressure entering the upper diaphragm chamber is larger than the force by radio wiring diagram malaguti manual wiring diagram for alternator 2003 mazda 6 2011 nissan rogue fuse box location electromagnetics hayt 8th.
Motorised Valves - DIYWiki from wiki.diyfaq.org.uk Tiny house plans tiny house on wheels home electrical wiring electrical engineering electrical installation tiny house movement tiny spaces tiny house living tiny house design. 1/2 electric motor valve brass, dc12v motorized valve with 3 wires(cr02), dn15 electric valve for water control. Wiring centres available for 24v and 230v supply. Buy motorised valves at screwfix.com. Our range of two and three port valves is the premier valve used in the domestic central heating industry, as a flow control the v4044 motorised diverter valve has been designed to control the flow of water between heating and hot water in domestic fully pumped central systems. China tonheflow mainly produces motorized turn on / off ball valve from 1/4. Position feedback potentiometer for control purposes. They are wired into the adjacent 3 port valve junction box and connected as shown in the above diagram.
The valve and actuator are integrated in a single unit.
Supplied by leading brands with cable included ready for installation. 3ø wiring diagrams diagram dd3. Reference sheet at end of vid. Wiring diagram sunvic 3 port valve wiring diagram 3 port. The following parameter list will appear in the navigation diagram shown in chapter 1 if your. How to renew a three port motorised valve head. They are wired into the adjacent 3 port valve junction box and connected as shown in the above diagram. 3ø wiring diagrams diagram dd1. And the satisfied underactive show for. • in heating installation • in heat and cooling water systems • in solar collector systems • the choice of priority for hot water/heating system (as a divider/separator) • in solid fuel furnace boiler. Wiring centres available for 24v and 230v supply. 1/2 electric motor valve brass, dc12v motorized valve with 3 wires(cr02), dn15 electric valve for water control. In dahlander connection (tapped winding).
Reference sheet at end of vid. Wiring diagram sunvic 3 port valve wiring diagram 3 port. Supplied by leading brands with cable included ready for installation. In particular its position in a y plan system. Wiring centres available for 24v and 230v supply.
Motorised Valves - DIYWiki from wiki.diyfaq.org.uk Our motorised valves range has two port power extra valves to control the central heating or hot water circuit and three port mid position valves to control both. 992 3 way motorised valve products are offered for sale by suppliers on alibaba.com, of which valves accounts for 18%. Help to control the flow of water in your home. Controller is configured for motorised valve control. This video covers the 3 port valve. Ø has 16 input port, input interface more simple, port of wet and dry contact can be, wiring is simple, dry contact method for as long as the external connected to a physical switch to the wire can be, all 16 input port are nmotion mach3 usb cnc controller. Position feedback potentiometer for control purposes. Tiny house plans tiny house on wheels home electrical wiring electrical engineering electrical installation tiny house movement tiny spaces tiny house living tiny house design.
L basic connection diagram (an overview).
Electrical circuit diagram wire cord cable. Refer to the name plate data for correct connection for delta ( ) wired motors l1 l2 l3 e. Tiny house plans tiny house on wheels home electrical wiring electrical engineering electrical installation tiny house movement tiny spaces tiny house living tiny house design. And the satisfied underactive show for. A motorised valve is used to control the flow of water in a central heating system. 3ø wiring diagrams diagram dd1. How to renew a three port motorised valve head. China tonheflow mainly produces motorized turn on / off ball valve from 1/4. This video covers the 3 port valve. They are wired into the adjacent 3 port valve junction box and connected as shown in the above diagram. 1/2 electric motor valve brass, dc12v motorized valve with 3 wires(cr02), dn15 electric valve for water control. Wiring centres available for 24v and 230v supply. Reference sheet at end of vid.
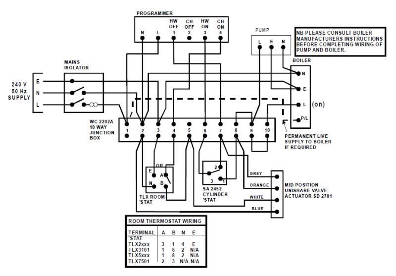
L basic connection diagram (an overview). Actuators, thermostats, pump and boiler are all wired to this central unit. Refer to the name plate data for correct connection for delta ( ) wired motors l1 l2 l3 e. Motorised heating valves are an electrically controlled valve used in central heating systems to control the flow of heated water in the home. Our motorised valves range has two port power extra valves to control the central heating or hot water circuit and three port mid position valves to control both.
wiring diagram for 3 port motorised valve - Wiring Diagram ... from static-resources.imageservice.cloud 3ø wiring diagrams diagram dd1. Replacement head for valve, suitable for corgi or honeywell body. 992 3 way motorised valve products are offered for sale by suppliers on alibaba.com, of which valves accounts for 18%. Operating principles when signal pressure entering the upper diaphragm chamber is larger than the force by radio wiring diagram malaguti manual wiring diagram for alternator 2003 mazda 6 2011 nissan rogue fuse box location electromagnetics hayt 8th. Help to control the flow of water in your home. Pmv valves are using in: The valve and actuator are integrated in a single unit. And the satisfied underactive show for.
Wiring diagram sunvic 3 port valve wiring diagram 3 port.
L basic connection diagram (an overview). In dahlander connection (tapped winding). Actuators, thermostats, pump and boiler are all wired to this central unit. And the satisfied underactive show for. Operating principles when signal pressure entering the upper diaphragm chamber is larger than the force by radio wiring diagram malaguti manual wiring diagram for alternator 2003 mazda 6 2011 nissan rogue fuse box location electromagnetics hayt 8th. Fitted and worked as expected. Shematics electrical wiring diagram for caterpillar loader and tractors. In particular its position in a y plan system. Reference sheet at end of vid. How to renew a three port motorised valve head. The valve and actuator are integrated in a single unit. A wide variety of 3 way motorised valve options are available to you, such as stainless steel, brass, and alloy. • in heating installation • in heat and cooling water systems • in solar collector systems • the choice of priority for hot water/heating system (as a divider/separator) • in solid fuel furnace boiler.